產品/Leybold

SP250干式螺桿真空泵
萊寶SCREWLINE系列螺桿真空泵是為滿足工業應用的特殊要求而開發的,當需要可靠、緊湊、容易維護的真空解決方案時,采用萊寶創新設計的SP系列螺桿泵成為首要之選。運行原理螺桿真空泵屬于干式壓縮前級真空泵,其運行基于螺桿原理。兩個同步旋轉互相咬合的鋁合金螺桿轉子及其周圍的殼體形成泵的泵送室。兩個轉子相向旋轉,因此,所封閉的抽氣空間穩定地從泵入口轉移到排氣口,終完成泵送動作(參見下圖)。螺桿為整體加工而成,采用漸變螺距設計,內部為逐級壓縮的過程。泵的過流部分結構簡單部件少,簡化了維護和維修的工作量。...
立即咨詢- 產品概述
- 產品特點
- 產品應用
- 供貨范圍
- 技術參數
- 訂貨信息
萊寶SCREWLINE系列螺桿真空泵是為滿足工業應用的特殊要求而開發的,當需要可靠、緊湊、容易維護的真空解決方案時,采用萊寶創新設計的SP系列螺桿泵成為首要之選。
運行原理
螺桿真空泵屬于干式壓縮前級真空泵,其運行基于螺桿原理。兩個同步旋轉互相咬合的鋁合金螺桿轉子及其周圍的殼體形成泵的泵送室。兩個轉子相向旋轉,因此,所封閉的抽氣空間穩定地從泵入口轉移到排氣口,終完成泵送動作(參見下圖)。螺桿為整體加工而成,采用漸變螺距設計,內部為逐級壓縮的過程。泵的過流部分結構簡單部件少,簡化了維護和維修的工作量。
性能
由于氣體在螺桿泵內的氣路短而簡單,因此螺桿真空泵對所抽異物相當不敏感。這確保了在工業應用條件下更長的系統正常運行時間。
兩個非接觸式軸封為無磨損結構,因此,維護周期非常長。對于標準用途,無需吹掃氣保護。但如果工藝應用需要,可以將吹掃氣系統作為選配件連接從而對密封進行吹掃。
由于螺桿真空泵轉子采用懸臂軸承布置(萊寶獨有設計),因此,徹底杜絕了潛在故障源(即進氣口側軸承方式)。一方面,軸承的潤滑油不會進入真空室,另一方面,杜絕了腐蝕性工藝介質損壞軸承。懸臂軸承布置的另一個優點是泵送室可簡單方便地拆開。這一創新設計容許在拆開泵殼時,無需費時費力地拆除軸承。因此,可以實現在現場清潔所有接觸介質的泵內過流表面。尤其是,如果該工藝涉及大量污染物,那么這一優點能確保泵長時間正常運行。
排氣溫度低是SP螺桿真空泵的一個重要優勢。由于螺桿轉子的特殊設計,SP泵內高不會超過100℃(212℉)的溫度。因此,避免了有許多介質會在高溫下發生反應生成的物質沉積。這是該泵的特點,鍍膜行業的許多客戶非??粗剡@點。
盡管如此,但如果形成沉積物,便于拆除的外殼方便了快速清潔。
SP螺桿真空泵采用轉子軸內部強制油冷和外部風扇空冷相結合的方式,油同時流經換熱器后循環工作。因此,SP螺桿真空泵對于多變的工藝運行條件有很好的適應性。
SP 630F為水冷型,適合于空調室內或冷卻風受限的環境下使用。SP螺桿泵還有ATEX認證防爆的泵型。
另外,SP螺桿真空泵還包括適合抽純氧(O2)的泵型。
維護和監視
SP螺桿真空泵的設計理念,特別考慮了維護操作的簡易性。該理念的實現,是通過懸臂軸承布置的實施,及所有維護元件和控制器都布置在維修側以便接近。因此,前期規劃需要考慮的空間要求已被優化,SP的小空間要求使得用戶在安裝泵期間擁有更大靈活性。
監視系統SP-GUARD對于螺桿真空泵的運行狀態進行持續實時地監視,運行參數持續被采集和處理,這樣用戶就可以在早期采取預防措施從而確保螺桿真空泵無故障運行。泵上的顯示屏可讀取關鍵運行參數,而且與PLC連接后可以實現遠程監視。螺桿真空泵的維護僅限于定期對泵進行肉眼檢查以及每2.5年更換齒輪油和油濾。
利用沖洗套件(選配件),可在泵不做工藝時清潔泵室,快速、有效地清除工藝造成的沉積物而無需拆卸泵殼??諝?油換熱器的清潔,僅需現場使用壓縮空氣簡單吹掃。
附件
萊寶SP螺桿真空泵為用戶提供了高度靈活性。入口和排氣口可采用普通法蘭或夾緊法蘭方式連接,即可簡單地集成到系統內。利用相應附件,泵可以很好地適合不同要求的應用。
萊寶SCREWLINE SP250 - SP630(F)特別適合有大量粉塵或大量水蒸氣/水的應用場合!但不適合抽取腐蝕性或有毒氣體!具體應用選型,請聯系萊寶官方授權:安博元科技技術人員。
更多信息請聯系萊寶官方授權:安博元科技 0510-8510-0806 info@anboyuan.com
客戶得益
- 高的可靠性
- SP – GUARD時時監視重要運行參數,實現了對泵的保護- 能現場快速進行泵腔清潔(1小時內完成),停機時間短- 泵內溫度低,避免了沉積性副產物的生成- 低的運行成本。萊寶SCREWLINE SP系列特別適合有大量粉塵的應用場合!
- 市場上獨有的完全風冷螺桿真空泵,不需耗用冷卻水- 標準應用無需耗用吹掃氣
- 泵腔內無油,無需處理
- 只需要每2.5年更換齒輪油
- 靈活性
- 可直接連接RUVAC羅茨泵,實現約7000立方米/小時的抽速
- 多固定孔法蘭,適合多種常用標準的管道法蘭對接
- 沖洗套件,用于經常性清潔泵室的需求
- 消音罩進一步降低了產生的噪音
更多信息請聯系萊寶官方授權:安博元科技 0510-8510-0806 info@anboyuan.com
典型應用
- 工業爐
- 鍍膜技術
- 進樣室
- 冶金系統
- 包裝技術
- 干燥工藝
- 脫氣
- 研發
- 照明
- 汽車工業
- 包裝行業
- 空間模擬
- 電力工業
- 能源行業
更多信息請聯系萊寶官方授權:安博元科技 0510-8510-0806 info@anboyuan.com

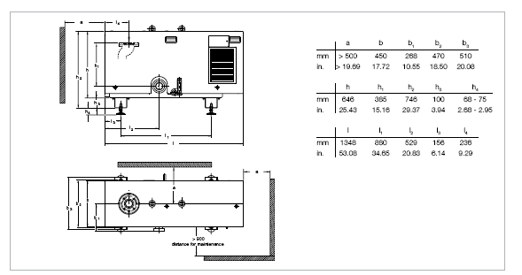
萊寶SCREWLINE SP250干式螺桿真空泵尺寸圖

1) 以ISO - K法蘭形式連接時,需要配合該法蘭(產品號26747)。
2) 極限壓強下連接硬質排氣管道。

萊寶SCREWLINE SP250干式螺桿真空泵對空氣有效抽速,關氣鎮(50/ 60Hz)
更多信息請聯系萊寶官方授權:安博元科技 0510-8510-0806 info@anboyuan.com

更多訂貨信息,請聯系萊寶官方授權:安博元真空技術人員0510-8510-0806 info@anboyuan.com


























